川土微電子CA-IF1042LS/LVS-Q1 具有±42V故障保護的 CAN 收發器新品發布!該產品實現了從晶圓生產到封裝測試全國產化。
01產品概述
CA-IF1042LS/LVS-Q1 CAN收發器系列符合ISO11898-2(2016)高速CAN(控制器局域網絡)物理層標準。所有器件均設計用于數據速率高達5Mbps(兆位每秒)的CAN FD網絡。部件號包含“V”后綴的器件配有用于I/O電平轉換的輔助電源輸入(用于設置輸入引腳閾值和RXD輸出電平)。該系列器件具有低功耗待機模式及遠程喚醒請求特性。此外,所有器件均包含多種保護功能,以提高器件和CAN網絡的穩定性。
02產品特性
? 符合 ISO 11898-2:2016 和 ISO 11898-5:2007 物理層標準
? 所有器件均支持經典 CAN 和 5Mbps CAN FD(靈活數據速率)
? I/O 電壓范圍支持 3.3V 和 5V 微控制器 (MCU)
? 未上電時的理想無源特性
- 總線和邏輯引腳處于高阻態(無負載)
- 上電和掉電時總線和 RXD 輸出上無毛刺脈沖
? 保護特性
- 總線故障保護:±42V
- VCC 和 VIO (僅限 CA-IF1042LVS-Q1)電源引腳上具有欠壓保護
- 驅動器顯性超時 (TXD DTO) – 最低數據速率低 至 4kbps
- 熱關斷保護 (TSD)
? 接收器共模輸入電壓:±30V
? 典型環回延遲:155ns
? 結溫范圍:-55°C 至 150°C
? 可提供 SOIC8 封裝
03典型應用
? 汽車及交通運輸行業
? 工業控制
? 建筑自動化
? 供熱通風及空調系統(HVAC)
04選型表

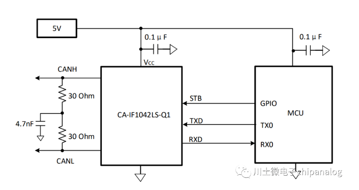
05應用圖

CA-IF1042LS-Q1 CAN 總線典型應用圖

CA-IF1042LVS-Q1 CAN 總線典型應用圖
