01產品概述
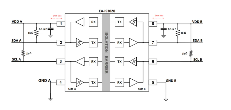
CA-IS3020WG為完備的雙向、雙通道數字隔離器,可提供7.5kVRMS電氣隔離,以及高達±150kV/μs的典型CMTI。所有器件的輸入采用施密特觸發器,提高抗干擾能力。每個隔離通道的數字輸入與輸出通過二氧化硅(SiO2)絕緣層隔離,提供較高的電磁干擾抑制和低EMI特性。高集成度設計僅需兩個外部VDDA、VDDB旁路電容和上拉電阻,即可構成I2C隔離接口。
CA-IS3020WG可支持DC至2.0MHz傳輸速率,提供兩路雙向、開漏輸出隔離通道,用于支持多主機I2C等需要在同一總線雙向傳輸數據或時鐘的雙向隔離應用。器件A側(VDDA)、B側(VDDB)單獨供電,供電電壓范圍為3.0V至5.5V。
CA-IS3020WG可工作在-40°C至+125°C溫度范圍,采用8引腳超寬體SOIC封裝。由于較寬的工作溫度范圍和較高的隔離耐壓,該系列器件適用于強干擾的工業環境。
02產品特性
? 支持DC 至 2.0MHz雙向數據傳輸 ? 可靠的數字信號電氣隔離 - 較長的工作壽命: > 40年 - 提供7.5kVRMS(超寬體SOIC)電氣隔離 - ±150kV/μs典型CMTI - 施密特觸發輸入提高抗干擾能力 - 較高的電磁抑制,可承受最高±12.8kV浪涌 - ±8kV ESD保護(人體模式) ? 開漏輸出: - A側可支持最高3.5mA灌電流 - B側可支持最高35mA灌電流 ? 3.0V至5.5V寬壓工作范圍 ? 較寬的工作溫度范圍:-40°C to 125°C ? 提供超寬體SOIC8-WWB (WG)封裝 03封裝對比


04應用領域
? I2C, SMBus, PMBus? 接口
? 電機控制系統
? 醫療設備
? 電池管理系統
? 儀器儀表
05典型應用

川土微電子CA-IS302X低功耗雙向隔離I2C接口提供豐富的封裝選型,包括窄體SOIC8、寬體SOIC8、寬體SOIC16以及本次推出的超寬體SOIC8,能夠充分滿足客戶的應用需求,有效訂購型號如下表所示:
截至目前,川土微電子超寬體系列已量產CA-IS38XX雙通道、三通道及四通道增強絕緣數字隔離器,本次推出的超寬體隔離I2C接口可提供送樣,更多超寬體系列產品,敬請期待!
