01產品概述
CA-IS3115X 是一款支持 2.5/5.0kVRMS 隔離耐壓的 DC-DC 轉換器芯片,該芯片采用特有控制架構,能夠快速響應負載變化,并且精確調節輸出電壓。CA-IS3115X 可替代傳統分立器件組建的隔離電源方案,該方案物理尺寸更小,且能夠實現完全隔離。
CA-IS3115X 集成軟啟動、短路保護、過溫保護等多種保護功能以更好地增強系統的可靠性。CA-IS3115X 具有 EN 使能管腳,當 EN 為低電平時,輸出電壓為零,此時 電源僅有微安級待機輸入電流。

02產品特性
? 集成高效率的 DC-DC 轉換器和片上變壓器
- 內置軟啟動電路來防止浪涌電流和輸出過沖
- 工作在 Hiccup 模式的短路保護
- 過熱關斷保護功能
? 寬輸入電壓范圍:4.5 V ~ 5.5 V
? 輸出電壓可選:
- 3.3V 或 5.0V;
- 3.7V 或 5.4V,支持在 DC-DC 后接 LDO
? 輸出典型功率:1.5W (5V/300mA)
? 優異的負載瞬態響應
? 寬工作溫度范圍:-40 °C ~ 125 °C
? 符合 EN55032 Class-B 級 EMI 標準
? ESD:±2kV HBM,±2kV CDM
? 高 CMTI:±150 kV/μs(典型)
? 優異的隔離性能:
- UL 1577 標準下,長達 1 分鐘的 5kVRMS 隔離耐 壓(CA-IS3115AW)
- UL 1577 標準下,長達 1 分鐘的 2.5kVRMS 隔離 耐壓(CA-IS3115BW)
- 符合 DIN V VDE V 0884-11:2017-01 標準的 7070VPK VIOTM 和 2121VPK VIORM (CA-IS3115AW)
- 隔離柵壽命:>40 年
? 符合 RoHS 標準封裝:SOIC16-WB(W)

03典型應用
? 工業自動化控制系統
? 電機控制
? 光伏逆變
? 儲能
? 電網基礎設備
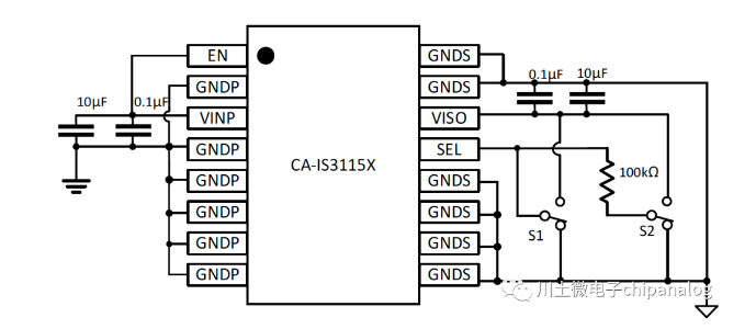
04應用框圖

